聯系人:陳錫烽
手 機:13815981616 15295238777
電 話:0523-84569016 84553205
傳 真:0523-84561364
地 址:江蘇省泰州市靖江市城北園區富前路88號
4-68系列離心通風機 |
![]() |
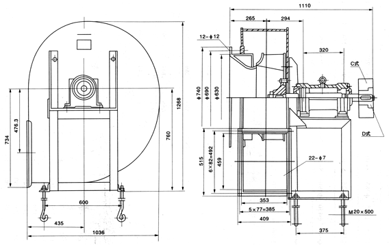
一、4-68型離心通風機的用途及型式
4-68型離心通風機用作一般通風換氣用。作為一般工廠及建筑物的室內通風換氣。既可用作輸入氣體,也可用作輸出氣體。輸送的氣體應為空氣和其他不自燃的、對人體無害的、對鋼鐵材料無腐蝕性的氣體。氣體內不許有粘性物質,所含塵土及硬質顆粒物不大于15mg/m3。氣體溫度不得超過80℃。其中對有一定濃度的腐蝕性氣體的輸送可以用玻璃鋼為材料,生產防腐風機。
4-68型離心通風機可制成右旋轉和左旋轉兩種型式。從電動機一側正視。葉輪順時針旋轉,稱為右旋風機,以“右”表示;葉輪逆時針旋轉,稱為左旋風機,以“左”表示。風機的出口位置.以機殼的出風口角度表示。

在風機新安裝后,進行正式運轉時就發生流量過多或不足現象,其原因主要有以下幾點:
1)管網阻力實際值與計算值相差過大。由一般管網特性方程式:P=KQ2可知,如實際值K小于計算值K時,則流量減少。
2)選擇時未考慮風機本身全壓值偏差△P的影響,當風機實際全壓為正偏差時,則流量增大;為負偏差葉時,則流量減少。
在風機新安裝后開始正式運轉,或在使用過程中發生流量過大或過小時,可用下列方法之一消除。
1)利用節流裝置調節流量。
2)改變風機的轉速調節流量。
3)調換壓力較高的或較低的風機調節流量。
4)改變管網阻力系數調節流量。
必須指出的是:一般都采用節流裝置來調節流量。但當實際流量比需要流量大得很多時這種方法浪費電力過多,很不經濟。如條件允許,通常采用減低風機轉速或調換壓力較低的風機。
當節流裝置全開時,流量仍嫌過小,此時節流裝置已失去作用,故應設法改變管網使阻力系數減小以增加流量。也可采用增加風機轉速和調換壓力較高的風機,但電動機直聯和聯軸器聯接的風機一般都不能改變轉速,只有帶傳動的風機可借改變帶輪直徑以增減轉速,但風機的ZUI大轉速不可超過性能表上的ZUI高轉速,并核算電動機功率。
四、4-68型離心通風機的性能與選擇
風機性能一般均指在標準狀況下的風機性能,無論技術文件或訂貨要求的性能,均按標準狀況為準。如果風機所用的環境并非標準狀況下,則須根據下述關系式將性能參數換算成為標準狀況下的性能參數,然后在性能表中進行選擇。
關系式如下:

式中:
Q-流量(m3/h);
N-功率(kW);
ρ-密度(kg/m3);
P-全壓(Pa);
η-效率(%)
n-轉速(r/min);
注:無注腳符號表示已知的性能及其關系參數,注腳符號“0”表示所求的性能參數。標準進氣狀態為:大氣壓力Pt=101325Pa ,進氣溫度ta=20℃ ,相對濕度Φ=50% ,空氣密度ρ=1.2kg/m3。
五、訂貨須知
訂貨時,請注明風機的使用環境,要求的壓力、流量、風機的機號、旋轉方向、出風口角度、傳動方式、葉輪轉速及電機型號等。
如有特殊要求,我廠可根據客戶的要求特殊設計和制造。
注:風機的性能參數及結構尺寸,本公司若有變更,恕不另行通知。
不同型號詳細參數表:
4-68№2.8~5A離心通風機外形及安裝尺寸

| 機號 | 電機型號 | 進 風 口 尺 寸 | 出 風 口 尺 寸 | ||||||||||||
| D1 | D2 | D3 | n1-d1 | A1 | A2 | A3 | A4 | A5 | A6 | X | Y | n2-d2 | |||
| No2.8 | 配用電機D2/T5 | Y802-2 | Ф280 | Ф320 | Ф350 | 8-Ф10 | 204 | 236 | 258 | 157 | 189 | 212 | 4 | 3 | 14-Ф17 |
| Y801-4 | |||||||||||||||
| No3.15 | Y90S-2 | Ф315 | Ф355 | Ф385 | 8-Ф10 | 229 | 260 | 283 | 176 | 207 | 231 | 4 | 3 | 14-Ф7 | |
| Y801-4 | |||||||||||||||
| No3.55 | Y100L-2 | Ф355 | Ф395 | Ф425 | 8-Ф10 | 262 | 290 | 312 | 204 | 231 | 254 | 4 | 3 | 14-Ф7 | |
| Y801-4 | |||||||||||||||
| No4 | Y112M-2 | Ф400 | Ф450 | Ф490 | 8-Ф12 | 291 | 322 | 345 | 224 | 255 | 279 | 4 | 3 | 14-Ф7 | |
| Y802-4 | |||||||||||||||
| No4.5 | Y132S2-2 | Ф450 | Ф500 | Ф545 | 8-Ф12 | 328 | 360 | 382 | 253 | 284 | 308 | 5 | 4 | 18-Ф7 | |
| Y90S-4 | |||||||||||||||
| No5 | Y160M2-2 Y100L1-4 |
Ф500 | Ф560 | Ф610 | 12-Ф12 | 364 | 396 | 419 | 280 | 315 | 336 | 6 | 5 | 20-Ф7 | |
| 機號 | 電機型號 | 出 風 口 尺 寸 | ||||||
| E | F | G | K | M | N | |||
| No2.8 | 配用電機D2/ T5 | Y802-2 | 123 | 197 | 466 | 212 | 569 | 341 |
| Y801-4 | ||||||||
| No3.15 | Y90S-2 | 146 | 221 | 523 | 238 | 636 | 380 | |
| Y801-4 | ||||||||
| No3.55 | Y100L-2 | 150 | 248 | 588 | 269 | 713 | 425 | |
| Y801-4 | ||||||||
| No4 | Y112M-2 | 179 | 278 | 656 | 304 | 795 | 475 | |
| Y802-4 | ||||||||
| No4.5 | Y132S2-2 | 190 | 312 | 741 | 340 | 895 | 531 | |
| Y90S-4 | ||||||||
| No5 | Y160M2-2 Y100L1-4 |
212 | 347 | 825 | 378 | 993 | 588 | |
| 機號 | 基礎尺寸 | 地腳螺栓 | 風機重量(不包括電機) kg | |||||||
| a | b | c | d | e | H | L | M(d3)×L2 | |||
| No2.8 | 100 | 125 | 135 | 130 | 160 | 80 | 454 | M8×160 | 25.3 | |
| 100 | 125 | 135 | 130 | 160 | 80 | 454 | M8×160 | |||
| No3.15 | 100 | 140 | 151 | 155 | 180 | 90 | 501 | M8×160 | 29.9 | |
| 100 | 125 | 145 | 130 | 160 | 80 | 486 | M8×160 | |||
| No3.55 | 140 | 160 | 173 | 176 | 205 | 100 | 578 | M10×220 | 36.6 | |
| 100 | 125 | 160 | 130 | 160 | 80 | 503 | M8×160 | |||
| No4 | 140 | 190 | 189 | 180 | 245 | 112 | 638 | M10×220 | 53.04 | |
| 100 | 125 | 169 | 130 | 160 | 80 | 543 | M8×160 | |||
| No4.5 | 140 | 216 | 222 | 200 | 280 | 132 | 710 | M10×220 | 68 | |
| 100 | 140 | 191 | 130 | 180 | 90 | 584 | M10×220 | |||
| No5 | 210 | 254 | 256 | 270 | 325 | 160 | 850 | M12×300 | 87 | |
| 140 | 160 | 211 | 176 | 205 | 100 | 680 | M12×300 | |||
4-68№6.3C離心通風機外形及安裝尺寸
| 機號 № | 進風口尺寸 | 出風口尺寸 | 外形尺寸 | |||||||||||||||
| D1 | D2 | D3 | n1-d1 | A1 | A2 | A3 | A4 | A5 | A6 | x | y | n2-d2 | E | F | G | K | M | |
| №8 | 800 | 860 | 910 | 16-12 | 592 | 654 | 698 | 448 | 515 | 557 | 6 | 5 | 22-12 | 341 | 556 | 1322 | 605 | 1744.5 |
| №10 | 1000 | 1070 | 1130 | 16-15 | 738 | 798 | 844 | 560 | 625 | 669 | 6 | 5 | 22-15 | 424 | 690 | 1644 | 756 | 2123 |
| №12.5 | 1250 | 1320 | 1380 | 20-15 | 921 | 984 | 1030 | 700 | 763 | 810 | 8 | 7 | 30-15 | 529 | 861 | 2053 | 945 | 2620 |
| 機號№ | 外形尺寸 | 基礎尺寸 | 軸承座地腳螺栓(4套) | 電機地腳螺栓(4套) | 重量(不含電機)kg | |||||||||
| H | L | S1 | S2 | a | b | c | d | e | f | g | ||||
| №8 | 280 | 1530 | 8 | 1.5~3.5 | 520 | 440 | 178 | 590 | 510 | 527 | 585 | M24×630 | M20×500 | 661 |
| №10 | 280 | 1663 | 10 | 1.5~4 | 520 | 440 | 170 | 590 | 510 | 639 | 697 | M24×630 | M20×500 | 842 |
| №12.5 | 375 | 2042 | 12.5 | 1.5~4.25 | 700 | 620 | 210 | 780 | 700 | 780 | 838 | M30×800 | M20×500 | 1497 |
| 機號№ | 右0° | 右45° | 右90° | 右135° | 右180° | 右225° | ||||||||||||
| N | i | j | N | i | j | N | i | j | N | i | j | N | i | j | N | i | j | |
| №8 | 1000 | 400 | 400 | 890 | 450 | 400 | 810 | 450 | 400 | 750 | 450 | 400 | 700 | 450 | 400 | 650 | 450 | 400 |
| №10 | 1220 | 500 | 550 | 1050 | 500 | 550 | 1000 | 550 | 500 | 930 | 550 | 500 | 850 | 550 | 500 | 790 | 500 | 550 |
| №12.5 | 1515 | 600 | 660 | 1405 | 660 | 660 | 1295 | 660 | 660 | 1200 | 660 | 660 | 1110 | 660 | 660 | 1035 | 660 | 660 |
4-68離心通風機性能及選用件表
| 機號 | 傳動方式 | 轉速 r/min | 全壓 Pa | 流量 m3/h | 內效率 % | 內功率 kW | 所需功率 kW | 電動機 | |
| 型號 | 功率 kW | ||||||||
| 2.8 | A | 2900 | 971 971 961 922 853 765 657 |
1131 1319 1508 1696 1885 2073 2262 |
78.5 83.2 86.5 87.9 86.1 80.1 73.5 |
0.39 0.43 0.47 0.49 0.52 0.55 0.56 |
0.59 0.65 0.71 0.74 0.76 0.77 0.78 |
Y802-2 | 1.1 |
| 2.8 | A | 1450 | 245 245 235 226 216 186 167 |
565 660 754 848 942 1037 1131 |
78.5 83.2 86.5 87.9 86.1 80.1 73.5 |
0.049 0.054 0.057 0.06 0.066 0.067 0.071 |
0.07 0.08 0.09 0.09 0.1 0.1 0.11 |
Y801-4 | 0.55 |
| 3.15 | A | 2900 | 1246 1246 1226 1177 1098 981 853 |
1825 2093 2362 2630 2899 3167 3435 |
79.9 84.3 87.3 88.6 87 81.3 75.2 |
0.79 0.86 0.92 0.97 1.02 1.06 1.08 |
1.11 1.2 1.29 1.36 1.37 1.38 1.4 |
Y90S-2 | 1.5 |
| 3.15 | A | 1450 | 314 314 304 294 275 245 216 |
912 1047 1181 1315 1449 1583 1718 |
79.9 84.3 87.3 88.6 87 81.3 75.2 |
0.1 0.11 0.11 0.12 0.13 0.13 0.14 |
0.14 0.14 0.14 0.16 0.17 0.17 0.18 |
Y801-4 | 0.55 |
| 3.55 | A | 2900 | 1608 1608 1596 1510 1402 1265 1108 |
2708 3092 3477 3861 4245 4629 5013 |
81.1 85.3 88.1 89.4 87.8 82.5 76.7 |
1.49 1.62 1.72 1.81 1.88 1.97 2.01 |
1.94 2.11 2.24 2.35 2.44 2.56 2.41 |
Y100L-2 | 3 |
| 3.55 | A | 1450 | 402 402 392 373 353 314 275 |
1354 1546 1738 1930 2122 2315 2507 |
81.1 85.3 88.1 89.4 87.8 82.5 76.7 |
0.19 0.2 0.21 0.22 0.24 0.24 0.25 |
0.29 0.3 0.32 0.33 0.36 0.36 0.38 |
Y801-4 | 0.55 |
| 4 | A | 2900 | 2069 2060 2010 1932 1795 1628 1432 |
3984 4534 5083 5633 6182 6732 7281 |
82.3 86.2 88.9 90 88.6 83.6 78.2 |
2.78 3.01 3.19 3.36 3.48 3.64 3.7 |
3.34 3.61 3.83 4.03 4.18 4.37 4.44 |
Y802-2 | 4 |
| 4 | A | 1450 | 520 510 500 481 451 402 353 |
1992 2267 2542 2816 3091 3366 3641 |
82.3 86.2 88.9 90 88.6 83.6 78.2 |
0.35 0.37 0.4 0.42 0.44 0.45 0.46 |
0.53 0.56 0.6 0.63 0.66 0.65 0.69 |
Y801-4 | 0.75 |
| 4.5 | A | 2900 | 2658 2628 2569 2462 2295 2069 1834 |
5790 6573 7355 8137 8920 9702 10485 |
83.3 87 89.5 90.5 89.2 84.5 79.4 |
5.13 5.51 5.86 6.15 6.37 6.6 6.72 |
5.9 6.34 6.74 7.07 7.33 7.59 7.73 |
Y90S-2 | 7.5 |
| 4.5 | A | 1450 | 667 657 638 619 569 520 461 |
2895 3286 3678 4069 4460 4851 5242 |
83.3 87 89.5 90.5 89.2 84.5 79.4 |
0.64 0.69 0.73 0.77 0.79 0.83 0.85 |
0.9 0.97 1.02 1.08 1.11 1.16 1.19 |
Y801-4 | 1.1 |
| 5 | A | 2900 | 3315 3266 3187 3050 2844 2589 2305 |
8050 9123 10197 11270 12343 13416 14490 |
84.2 87.6 90 91 89.8 85.3 80.5 |
8.8 9.44 10.03 10.49 10.86 11.31 11.52 |
10.12 10.86 11.53 12.06 12.49 13.01 13.25 |
Y100L-2 | 15 |
| 5 | A | 1450 | 824 814 794 765 716 647 579 |
4025 4562 5098 5635 6172 6708 7245 |
84.2 87.6 90 91 89.8 85.3 80.5 |
1.09 1.18 1.25 1.32 1.37 1.41 1.45 |
1.42 1.53 1.63 1.72 1.78 1.83 1.96 |
Y100L-4 | 2.2 |
| 6.3 | D | 1450 | 1324 1304 1275 1216 1138 1040 922 |
8320 9393 10467 11540 12614 13687 14761 |
84.8 88.1 90.5 91.4 90.2 85.9 81.3 |
3.61 3.86 4.09 4.26 4.42 4.6 4.65 |
4.42 4.73 5.01 5.22 5.41 5.63 5.69 |
Y132S-4 | 5.5 |
| 6.3 | D | 960 | 579 569 559 530 500 451 402 |
5508 6219 6930 7641 8351 9062 9773 |
84.8 88.1 90.5 91.4 90.2 85.9 81.3 |
1.04 1.11 1.19 1.23 1.29 1.32 1.34 |
1.38 1.47 1.58 1.63 1.71 1.75 1.78 |
Y112M-6 | 2.2 |
| 8 | D | 1450 | 2158 2118 2060 1971 1844 1677 1501 |
17585 19783 21982 24179 26378 28576 30774 |
85.7 88.8 91 91.9 90.8 86.7 82.4 |
12.29 13.1 13.81 14.4 14.87 15.35 15.56 |
14.4 15.4 16.2 16.9 17.4 18 18.3 |
Y180M-4 | 18.5 |
| 8 | D | 960 | 942 932 902 863 804 736 657 |
11643 13098 14553 16009 17464 18919 20375 |
85.7 88.8 91 91.9 90.8 86.7 82.4 |
3.55 3.82 4.01 4.17 4.3 4.46 4.51 |
4.3 4.7 4.9 5.1 5.3 5.5 5.5 |
Y132M2-6 | 5.5 |
| 8 | D | 730 | 549 539 520 500 471 422 383 |
8853 9960 11067 12173 13280 14387 15043 |
85.7 88.8 91 91.9 90.8 86.7 82.4 |
1.55 1.65 1.76 1.84 1.91 1.94 2 |
2.1 2.2 2.3 2.4 2.5 2.57 2.7 |
Y132M-8 | 3 |
| 10 | D | 1450 | 3442 3364 3266 3109 2923 2687 2422 |
35420 39713 44006 48299 52593 56886 61179 |
87.6 90.3 92.2 93 92 88.5 84.7 |
38.6 41.4 43.3 44.8 46.4 48 48.6 |
45.3 48.2 50.8 52.6 54.4 56.3 57 |
Y250M-4 | 55 |
| 10 | D | 960 | 1510 1481 1432 1363 1275 1177 1059 |
23450 26293 29135 31978 34820 37662 40505 |
87.6 90.3 92.2 93 92 88.5 84.7 |
11.2 12 12.6 13 13.4 13.9 14.1 |
13.1 14.1 14.8 15.3 15.7 16.3 16.5 |
Y200L1-6 | 18.5 |
| 10 | D | 730 | 873 853 824 785 736 677 618 |
17832 19993 22155 24316 26478 28639 30801 |
87.6 90.3 92.2 93 92 88.5 84.7 |
4.9 5.2 5.5 5.7 5.9 6.1 6.2 |
5.8 6.1 6.5 6.7 6.9 7.1 7.3 |
Y160L-8 | 7.5 |
| 12.5 | D | 960 | 2354 2305 2236 2128 2001 1834 1657 |
45800 51353 56904 62456 68008 73559 79111 |
87.6 90.3 92.2 93 92 88.5 84.7 |
34.2 36.4 38.32 36.69 41.07 42.33 42.99 |
40.13 42.71 44.97 46.58 48.19 49.67 50.45 |
Y280M-6 | 55 |
| 12.5 | D | 730 | 1363 1334 1295 1236 1157 1059 961 |
34828 39050 43271 47492 51714 55936 60157 |
87.6 90.3 92.2 93 92 88.5 84.7 |
15.05 16.02 16.87 17.52 18.06 18.59 18.96 |
17.66 18.8 19.8 20.56 21.19 21.81 22.25 |
Y112M-6 | 22 |
4-68№6.3C
| 主軸 轉速 r/min |
全壓 Pa |
流量 m3/h |
內效率 % |
內功率 kW |
所需 功率 kW |
電動機 | V帶 | 主軸帶輪 | 電動機帶輪 | 電動機 導軌部 | |||
| 型號 | 功率 kW |
型號 | 根數 | 內周長 mm | |||||||||
| 2240 | 3159 3109 3030 2893 2707 2491 2197 |
12852 14511 16169 17828 19486 21144 22803 |
84.8 88.1 90.5 91.4 90.2 85.9 81.3 |
13.29 14.22 15.03 15.67 16.24 16.89 17.11 |
16.09 17.21 18.19 18.96 19.65 20.44 20.8 |
Y180M-2 | 22 | B | 5 | 1800 | 48-B2-240 | 48-B2-185 | CT0201×03 |
| 2000 | 2511 2481 2413 2305 2158 1971 1756 |
1147 12956 14437 15917 17398 18879 20359 |
84.8 88.1 90.5 91.4 90.2 85.9 81.3 |
9.43 10.13 10.69 11.15 11.56 12.03 12.21 |
11.42 12.27 12.94 13.49 14 14.56 14.78 |
Y160M2-2 | 15 | B | 4 | 1800 | 42-B2-240 | 42-B2-170 | CT0201×03 |
| 1800 | 2040 2010 1952 1863 1746 1589 1422 |
10328 11660 12993 14325 15658 16991 18324 |
84.8 88.1 90.5 91.4 90.2 85.9 81.3 |
6.9 7.39 7.78 8.11 8.41 8.73 8.9 |
8.35 8.94 9.42 9.82 10.19 10.56 10.77 |
Y160M1-2 | 11 | B | 3 | 1800 | 48-B2-240 | 42-B2-150 | CT0201×03 |
| 1600 | 1608 1589 1550 1471 1383 1255 1118 |
9180 10365 1150 12734 13918 15103 16287 |
84.8 88.1 90.5 91.4 90 .2 85.9 81.3 |
4.83 5.19 5.49 5.69 5.92 6.13 6.22 |
5.85 6.28 6.65 6.89 7.17 7.42 7.53 |
Y132S2-2 | 7.5 | B | 2 | 1800 | 48-B2-240 | 38-B2-135 | CT0201×02 |
| 1400 | 1236 1216 1187 1128 1059 961 863 |
8032 9069 10105 11142 12178 13215 14251 |
84.8 88.1 90.5 91.4 90.2 85.9 81.3 |
3.25 3.48 3.68 3.82 3.97 4.11 4.2 |
4.1 4.39 4.65 4.82 5.02 5.19 5.31 |
Y132S-4 | 5.5 | B | 2 | 1800 | 48-B2-240 | 38-B2-240 | CT0201×02 |
| 1250 | 981 971 942 902 843 765 687 |
7172 8098 9024 9949 10874 11799 12724 |
84.8 88.1 90.5 91.4 90.2 85.9 81.3 |
2.3 2.48 2.61 2.73 2.82 2.92 2.98 |
2.91 3.13 3.29 3.44 3.57 3.69 3.77 |
Y112M-4 | 4 | B | 2 | 1800 | 48-B2-240 | 28-B2-212 | CT0201×02 |
| 1120 | 785 775 755 726 677 618 549 |
6426 7255 8085 8913 9743 10572 11401 |
84.8 88.1 90.5 91.4 90.2 85.9 81.3 |
1.65 1.77 1.87 1.97 2.03 2.11 2.14 |
2.26 2.42 2.56 2.69 2.78 2.88 2.93 |
Y100L2-4 | 3 | B | 2 | 1800 | 48-B2-240 | 2-B2-190 | CT0201×02 |
| 1000 | 628 618 608 579 540 490 441 |
5737 6478 7218 7958 8599 9439 10179 |
84.8 88.1 90.5 91.4 90.2 85.9 81.3 |
1.18 1.26 1.35 1.4 1.44 1.5 1.53 |
1.61 1.73 1.84 1.91 1.97 2.05 20.9 |
Y100L1-4 | 2.2 | A | 2 | 1800 | 48-A2-240 | 28-A2-170 | CT0201×02 |
| 900 | 510 500 490 471 441 402 353 |
5164 5830 6497 7163 7829 8496 9162 |
84.8 88.1 90.5 91.4 90.2 85.9 81.3 |
0.862 0.919 0.978 1.02 1.06 1.1 1.1 |
1.27 1.35 1.44 1.4 1.46 1.51 1.51 |
Y90L-4 | 1.5 | A | 2 | 1800 | 48-A2-240 | 24-A2-150 | CT0201×01 |
| 800 | 402 392 383 373 343 314 284 |
4590 5182 5775 6367 6959 7552 8144 |
84.8 88.1 90.5 91.4 90.2 85.9 81.3 |
0.6 0.64 0.68 0.72 0.74 0.77 0.79 |
0.89 0.94 1 1.06 1.08 1.13 1.17 |
Y90S-4 | 1.1 | A | 2 | 1800 | 48-A2-240 | 24-A2-132 | CT0201×01 |
4-68№8C
| 主軸 轉速 r/min |
全壓 Pa |
流量 m3/h |
內效率 % |
內功率 kW |
所需 功率 kW |
電動機 | V帶 | 主軸帶輪 | 電動機帶輪 | 電, 動機 導軌部 | |||
| 型號 | 功率 kW |
型號 | 根數 | 內周長 mm | |||||||||
| 1800 | 3315 3266 3178 3030 2834 2589 2315 |
21830 24559 27288 30016 32745 35474 38202 |
85.7 88.8 91 91.9 90.8 86.7 82.4 |
23.45 25.08 26.46 27.48 28.38 29.42 29.8 |
28.4 30.4 32 33.3 34.4 35.61 36.1 |
Y200L2-2 | 37 | B | 7 | 3150 | 65-B7-320 | 60-B2-200 | CT0201×04 |
| 1600 | 2619 2579 2511 2393 2236 2050 1834 |
19404 21830 24256 26681 29108 31532 33958 |
85.7 88.8 91 91.9 90.8 86.7 82.4 |
16.46 17.61 18.58 19.29 19.9 20.7 20.98 |
19.93 21.3 22.5 23.4 24.1 15.1 25.4 |
Y200L1-2 | 30 | B | 5 | 3150 | 65-B5-320 | 55-B5-175 | CT0201×04 |
| 1400 | 2010 1971 1922 1834 1716 1569 1402 |
16979 19101 21224 23346 25468 27591 29713 |
85.7 88.8 91 91.9 90.8 86.7 82.4 |
11.06 11.78 12.46 12.94 13.37 13.87 14.04 |
13.4 14.3 15.1 15.7 16.2 16.8 17 |
Y180M-4 | 18.5 | B | 4 | 3150 | 65-B4-320 | 48-B4-320 | CT0201×03 |
| 1250 | 1599 1569 1530 1461 1363 1246 1118 |
15159 17054 18949 20844 22739 24634 26528 |
85.7 88.8 91 91.9 90.8 86.7 82.4 |
7.85 8.42 8.85 9.2 9.48 9.83 9.99 |
9.5 10.1 10.7 11.1 11.5 11.9 12.1 |
Y160L-4 | 15 | B | 3 | 2500 | 65-B3-320 | 42-B3-275 | CT0201×03 |
| 1120 | 1285 1265 1226 1177 1098 1000 892 |
13583 15281 16979 18677 20375 22073 23770 |
85.7 88.8 91 91.9 90.8 86.7 82.4 |
5.65 6.05 6.35 6.64 6.84 7.07 7.15 |
6.8 7.3 7.7 8 8.3 8.6 8.7 |
Y160M-4 | 11 | B | 2 | 2500 | 65-B2-320 | 42-B2-250 | CT0201×03 |
| 1000 | 1020 1010 981 932 873 794 716 |
12128 13644 15160 16676 18192 19708 21224 |
85.7 88.8 91 91.9 90.8 86.7 82.4 |
4 4.31 4.54 4.7 4.86 5.01 5.12 |
5.1 5.4 5.7 5.9 6.1 6.1 6.2 |
Y132M-4 | 7.5 | B | 2 | 2000 | 65-B2-320 | 38-B2-225 | CT0201×02 |
| 900 | 834 814 794 755 706 647 579 |
10915 12279 13644 15008 16373 17738 19101 |
85.7 88.8 91 91.9 90.8 86.78 82.4 |
2.95 3.13 3.31 3.42 3.54 3.68 3.72 |
3.7 4 4.2 4.3 4.5 4.7 4.8 |
Y132S-4 | 5.5 | B | 2 | 2000 | 65-B2-320 | 38-B2-200 | CT0201×02 |
| 800 | 657 638 628 598 559 510 461 |
9702 10915 12128 13340 14554 15764 16979 |
85.7 88.8 91 91.9 90.8 86.7 82.4 |
2.07 2.18 2.32 2.41 2.49 2.58 2.64 |
2.6 2.8 2.9 3 3.1 3.3 3.3 |
Y112M-4 | 4 | B | 2 | 2000 | 65-B2-320 | 28-B2-180 | CT0201×02 |
| 710 | 520 510 490 471 441 402 363 |
8611 9687 10763 11840 12916 13992 15069 |
85.7 88.8 91 91.9 90.8 86.7 82.4 |
1.45 1.52 1.61 1.68 1.74 1.8 1.84 |
2 2.1 2.2 2.3 2.4 2.5 2.5 |
Y100L2-4 | 3 | B | 2 | 2000 | 65-B2-320 | 28-B2-160 | CT0201×02 |
| 630 | 402 402 392 373 343 314 284 |
7641 8596 9551 10506 11461 12416 13371 |
85.7 88.8 91 91.9 90.8 86.7 82.4 |
1 1.08 1.14 1.18 1.2 1.25 1.28 |
1.4 1.5 1.6 1.6 1.6 1.7 1.7 |
Y100L1-4 | 2.2 | B | 2 | 2000 | 65-B2-320 | 28-B2-145 | CT0201×02 |
4-68№10C
| 主軸 轉速 r/min |
全壓 Pa |
流量 m3/h |
內效率 % |
內功率 kW |
所需 功率 kW |
電動機 | V帶 | 主軸帶輪 | 電動機帶輪 | 電動機 導軌部 | |||
| 型號 | 功率 kW |
型號 | 根數 | 內周長 mm | |||||||||
| 1250 | 2560 2501 2422 2315 2167 1991 1795 |
30534 34235 37936 41637 45338 49040 52740 |
87.6 90.3 92.2 93 92 88.5 84.7 |
24.8 26.3 27.7 28.8 29.7 30.6 31 |
30 31.9 33.5 34.8 35.9 37.1 37.6 |
Y225S-4 | 37 | C | 5 | 3150 | 65-C5-400 | 60-C5-355 | CT0201×04 |
| 1120 | 2050 2010 1942 1854 1736 1599 1442 |
27358 30674 33990 37307 40623 43939 47256 |
87.6 90.3 92.2 93 92 88.5 84.7 |
17.8 19 19.9 20.6 21.3 22 22.3 |
21.5 23 24.1 25 25.8 26.7 27 |
Y200L-4 | 30 | C | 4 | 2500 | 65-C4-400 | 55-C4-315 | CT0201×04 |
| 1000 | 1638 1599 1550 1481 1383 1275 1147 |
24427 27388 30349 33310 36270 39233 42192 |
87.6 90.3 92.2 93 92 88.5 84.7 |
12.7 13.5 14.2 14.7 15.1 15.7 15.9 |
15.4 16.3 17.1 17.8 18.3 19 19.2 |
Y180L-4 | 22 | C | 3 | 2500 | 65-C3-400 | 48-C3-280 | CT0201×03 |
| 900 | 1324 1295 1255 1197 1128 1030 932 |
21984 24649 27314 29978 32644 35308 37974 |
87.6 90.3 92.2 93 92 88.5 84.7 |
9.23 9.8 10.3 10.7 11.1 11.4 11.6 |
11.2 11.9 12.5 13 13.5 13.8 14 |
Y160L-4 | 15 | B | 3 | 2500 | 65-B3-400 | 42-B3-250 | CT0201×03 |
| 800 | 1049 1020 991 942 883 814 736 |
19541 21910 24279 26648 29017 31385 33754 |
87.6 90.3 92.2 93 92 88.5 84.7 |
6.5 6.87 7.24 7.49 7.73 8.02 8.14 |
7.87 8.31 8.77 9.07 9.36 9.7 9.85 |
Y160M-4 | 11 | B | 2 | 2500 | 65-B2-400 | 42-B2-224 | CT0201×03 |
| 710 | 824 804 785 745 696 647 579 |
17343 19446 21548 23650 25752 27854 29956 |
87.6 90.3 92.2 93 92 88.5 84.7 |
4.53 4.81 5.09 5.26 5.41 5.66 5.68 |
5.72 6.07 6.16 6.37 6.55 6.85 6.88 |
Y132M-4 | 7.5 | B | 2 | 2500 | 65-B2-400 | 38-B2-200 | CT0201×02 |
| 630 | 647 638 618 588 549 510 461 |
15389 17254 19119 20985 22850 24716 26581 |
87.6 90.3 92.2 93 92 88.5 84.7 |
3.16 3.38 3.56 3.69 3.79 3.95 4.02 |
3.99 4.27 4.49 4.66 4.78 5 5.08 |
Y132S-4 | 5.5 | B | 2 | 2500 | 65-B2-400 | 38-B2-180 | CT0201×02 |
| 560 | 510 500 490 461 432 402 363 |
13679 15337 16995 18654 20311 21969 23627 |
87.6 90.3 92.2 93 92 88.5 84.7 |
2.21 2.36 2.51 2.57 2.65 2.77 2.81 |
2.79 2.98 3.17 3.24 3.34 3.5 3.57 |
Y112M-4 | 4 | A | 2 | 2500 | 65-A2-400 | 28-A2-160 | CT0201×02 |
| 500 | 412 402 392 373 343 314 284 |
12214 13694 15175 16655 18135 19616 21096 |
87.6 90.3 92.2 93 92 88.5 84.7 |
1.59 1.69 1.78 1.85 1.87 1.93 1.97 |
2.01 2.14 2.26 2.34 2.37 2.44 2.48 |
Y100M-4 | 3 | A | 2 | 2500 | 65-A2-400 | 28-A2-150 | CT0201×02 |
4-68№12.5C
| 主軸 轉速 r/min |
全壓 Pa |
流量 m3/h |
內效率 % |
內功率 kW |
所需 功率 kW |
電動機 | V帶 | 主軸帶輪 | 電動機帶輪 | 電動機 導軌部 | |||
| 型號 | 功率 kW |
型號 | 根數 | 內周長 mm | |||||||||
| 1120 | 3207 3138 3040 |
5343 59912 66388 |
87.6 90.3 92.2 |
54.32 57.82 60.79 |
65.76 69.99 73.59 |
Y280S-4 | 75 | D | 6 | 4000 | 75-D6-500 | 75-D6-400 | CT0201×05 |
| 2903 2717 2501 2256 |
72865 79342 85819 92296 |
93 92 88.5 84.7 |
63.16 65.06 67.34 68.25 |
76.45 78.75 81.51 82.62 |
Y280M-4 | 90 | |||||||
| 1000 | 260 2501 2422 2315 |
47710 53492 59276 65058 |
87.6 90.3 92.2 93 |
38.71 41.14 43.25 44.96 |
46.86 49.8 52.35 54.43 |
Y250M-4 | 55 | C | 8 | 4000 | 75-C8-480 | 65-C8-340 | CT0201×05 |
| 2167 1991 1765 |
70841 76624 82407 |
92 88.5 84.7 |
46.34 47.86 48.49 |
56.1 57.94 58.7 |
Y280S-4 | 75 | 75-C8-340 | ||||||
| 900 | 2069 2030 1961 1873 1756 1618 1451 |
42938 48144 53348 58552 63758 68962 74166 |
87.6 90.3 92.2 93 92 88.5 84.7 |
28.17 36.06 31.51 32.75 33.78 35.01 35.29 |
34.1 36.38 38.15 39.64 40.9 42.39 42.27 |
Y280S-6 | 45 | C | 6 | 4000 | 75-C6-480 | 75-C6-460 | CT0201×05 |
| 800 | 1638 1599 1550 1481 1383 1275 1147 |
38168 42794 47420 52046 56673 61300 65926 |
87.6 90.3 92.2 93 92 88.5 84.7 |
19.82 21.04 22.13 23.01 23.65 24.52 24.8 |
23.99 25.47 26.79 27.06 28.63 29.68 30.03 |
Y225M-6 | 30 | C | 4 | 4000 | 75-C4-480 | 60-C4-410 | CT0201×04 |
| 710 | 1285 1265 1226 1167 1089 1000 902 |
33874 37980 42086 46191 50297 54403 58509 |
87.6 90.3 92.2 93 92 88.5 84.7 |
13.8 14.78 15.54 16.1 16.5 17.07 17.31 |
16.7 17.89 18.81 19.48 20.01 20.67 20.95 |
Y200L2-6 | 22 | C | 3 | 4000 | 75-C3-480 | 55-C3-360 | CT0201×04 |
| 630 | 1010 991 961 912 863 794 706 |
30057 33700 37344 40987 44630 48273 51917 |
87.6 90.3 92.2 93 92 88.5 84.7 |
9.62 10.27 10.81 11.16 11.62 12.03 12.02 |
11.75 12.43 13.09 13.51 14.07 14.57 14.55 |
Y180L-6 | 15 | C | 2 | 4000 | 75-C2-480 | 48-C2-320 | CT0201×03 |
| 560 | 804 785 755 726 677 628 559 |
26717 29956 33194 36433 39671 42910 46148 |
87.6 90.3 92.2 93 92 88.5 84.7 |
6.81 7.23 7.55 7.89 8.1 8.45 8.46 |
8.24 8.75 9.14 9.56 9.81 10.23 10.24 |
Y160L-6 | 11 | C | 2 | 3550 | 75-C2-480 | 42-C2-290 | CT0201×03 |
| 500 | 638 628 608 579 539 500 451 |
23855 26746 29638 32529 35421 38312 41204 |
87.6 90.3 92.2 93 92 88.5 84.7 |
4.82 5.16 5.43 5.62 5.77 6.01 6.09 |
6.6 6.25 6.57 6.8 6.98 7.28 7.38 |
Y160M-6 | 7.5 | C | 2 | 3550 | 75-C2-480 | 42-C2-255 | CT0201×03 |
| 450 | 520 510 490 471 441 402 363 |
21469 24071 26674 29276 31879 34481 37083 |
87.6 90.3 92.2 93 92 88.5 84.7 |
3.54 3.77 3.94 4.11 4.25 4.35 4.41 |
4.47 4.76 4.98 5.19 5.37 5.49 5.57 |
Y132M2-6 | 5.5 | C | 2 | 3550 | 75-C2-480 | 38-C2-230 | CT0201×02 |
| 400 | 412 402 392 373 343 314 284 |
19084 21379 23710 26023 28337 30650 32963 |
87.6 90.3 92.2 93 92 88.5 84.7 |
2.49 2.65 2.8 2.9 2.94 3.02 3.07 |
3.14 3.34 3.54 3.66 3.71 3.81 3.88 |
Y132M1-6 | 4 | C | 2 | 3550 | 75-C2-480 | 38-C2-205 | CT0201×02 |
[上一個: G/Y4-73系列離心通風機 ]
[下一個: 9-19、9-26系列離心通風機 ]







